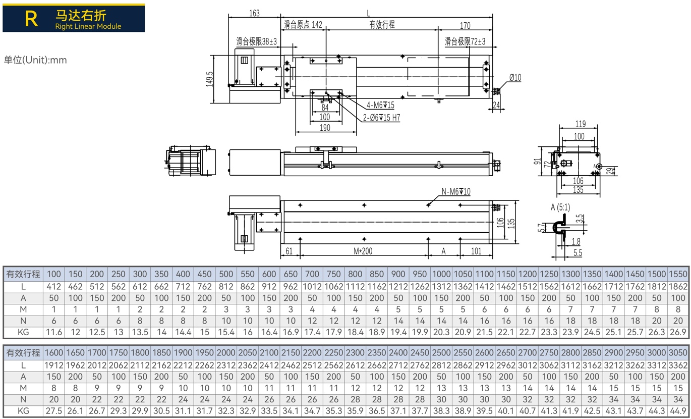
PBC140系列,全新同步皮带全封闭模组
适用于无尘环境,钢带结构。- 重复定位精度±0.04mm
- 同步皮带直径20mm
- 导程40mm
- 水平搬运重量35kg
- 垂直搬运重量本系列不支持
- 直线导轨型号15×12.5-2支
- 本体尺寸参考宽135mm,高91mm
- 驱动规格400W/3000r·min/1.27N·m
- 标准行程100~3050mm(间隔50mm)
产品资料下载
产品说明
PBS系列其它产品
这里还有本系列其它型号的产品!
loading…
已经是到最后一篇内容了!
PBC系列其它产品
这里还有本系列其它型号的产品!
loading…
已经是到最后一篇内容了!
〔SKR〕浙江斯柯特科技有限公司直线模组















